ضرورت استفاده از کلید محافظ جان (حفاظت از جریان نشتی)
کلید محافظ جان، یکی از ابزارهای حیاتی در امنیت و حفاظت از افراد و تجهیزات الکتریکی (مانند خازن، سیستمها و سنسورها و غیره) است. این کلیدها با توجه به نوع و محل استفاده، حساسیت و عملکرد متفاوتی دارند و هدف اصلی استفاده از آنها در صنعت برق، جلوگیری از حوادث ناخواسته برقی برای انسانها و تجهیزات است. استفاده از این کلید میتواند جلوی خطرات جدی ناشی از جریان نشتی و اضافه بار برقی را بگیرد. در این مقاله، قصد داریم به بررسی عمیقتری از این ابزار مهم بپردازیم و بیشتر با اجزاء، نحوه عملکرد و انواع آن آشنا شویم.
برای آشنایی بیشتر با کلید محافظ جان اینجا را کلیک کنید.
کلید محافظ جان (RCCB) چیست؟
کلید محافظ جان (RCCB) یکی از اجزای اساسی در سیستمهای برقی است که برای حفاظت از افراد و تجهیزات در برابر خطرات جریان نشتی برق استفاده میشود. این کلید با تشخیص حتی کوچکترین جریان نشتی، جریان برق اصلی و ورودی به مدار را قطع کرده و در نتیجه از وقوع شوک الکتریکی و حوادث ناشی از آن جلوگیری میکند.
کلید محافظ جان عموماً در سیستمهای توزیع برق و سیستمهای الکتریکی استفاده میشود و مهمترین وظیفه آن مانند دیگر ابزار محافظتی نظیر پایه فیوز سیلندری و کلید اتوماتیک، تشخیص و قطع جریان نشتی برق در کمترین زمان ممکن است تا به افراد و تجهیزات آسیب وارد نشود. این کلیدها به دلیل اهمیت ایمنی و بسته به نوع و کاربرد خاص هر سیستم برقی، در انواع مختلف و با مشخصات متفاوتی تولید میشوند.
از ویژگیهای مهم این کلیدها میتوان به دقت در تشخیص جریان نشتی، سرعت عمل در قطع جریان برق، پایداری و ایمنی در عملکرد و همچنین قابلیت نصب و استفاده آسان اشاره کرد.
محافظ جان
RCCB مخفف عبارت Residual Circuit Current Breaker است و وظیفه این قطعه الکتریکی این است که هر زمان که نشتی جریان تشخیص داده شد، مدار را به صورت لحظه ای قطع می کند. علاوه بر این، در برابر برق گرفتگی و شوک الکتریکی ناشی از تماس های بدون محافظ نیز محافظت می کند. قطع کننده های مدار محافظ جان بهترین دفاع در برابر خطرات الکتریکی هستند و برای محافظت در برابر برق گرفتگی، فیبریلاسیون و آسیب ماشین آلات طراحی شده اند.
RCCBهای ما راه حل های سازگار با صنعت را در زمینه های مختلف کاربردی، از جمله ساختمان ها و سیستم های UPS ارائه می دهند. کلید محافظ جان (RCCB) یا معمولاً به عنوان قطع کننده مدار شناخته می شود یک وسیله ایمنی الکتریکی است که بلافاصله پس از شناسایی نشتی که ممکن است منجر به برق گرفتگی شود، مدار الکتریکی را هنگامی که جریان عبوری از یک هادی برابر و مخالف نباشد قطع می کند. در هر دو جهت، بنابراین نشان دهنده یک جریان نامناسب جریان مانند جریان نشتی به زمین یا جریانی که به هادی برقی دیگر می گذرد.
جریان نشتی می تواند ناشی از عواملی مانند کهنه یا در معرض سیم ها، وسایل برقی معیوب و عایق آسیب دیده باشد.
هدف این دستگاه کاهش شدت آسیب ناشی از شوک الکتریکی است. آسیب ناشی از شوک محدود به زمان قبل از قطع شدن مدار الکتریکی است، اما قربانی ممکن است آسیب بیشتری نیز ببیند، به عنوان مثال با سقوط پس از دریافت شوک. این نوع قطع کننده مدار نمی تواند بین جریانی که از طریق هادی های حامل برق عبور می کند و جریانی که از تجهیزات الکتریکی می گذرد تمایز قائل شود و هنگامی که شخصی هر دو هادی را همزمان لمس می کند هیچ حفاظتی ارائه نمی دهد.
انواع کلید محافظ جان
کلیدهای محافظ جان را بر اساس معیارهای مختلفی مانند حساسیت، نوع برقی مصرفی و نوع عملکرد میتوان به چند دستهبندی تقسیم کرد.
بر اساس حساسیت:
- خانگی: حساسیت آنها حدود ۳۰ میلیآمپر است و برای استفاده در محیطهای خانگی مناسب هستند.
- صنعتی: حساسیت آنها میتواند ۱۰۰، ۳۰۰ و حتی ۵۰۰ میلیآمپر باشد و برای استفاده در مکانهای صنعتی طراحی میشوند.

کاربرد کلید محافظ جان
بر اساس نوع برقی مصرفی:
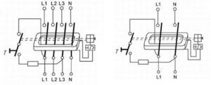
- تک فاز: برای مشترکین برقی خانگی استفاده میشود و دارای فاز و نول است.
- سه فاز: برای مکانهای صنعتی استفاده میشود و دارای برق سه فاز است.
بر اساس نوع عملکرد:
- RCCB (Residual Current Circuit Breaker): تنها وظیفه آن حفاظت از مدار در برابر جریان نشتی است و از اضافه بار محافظت نمیکند.
- RCBO (Residual Current Circuit Breaker With Over Protection): علاوه بر حفاظت در برابر جریان نشتی، قابلیت تشخیص و حفاظت از اضافه بار را نیز دارد.
برای اطلاعات تکمیلی اینجا را کلیک کنید.
اجزاء سازنده کلید محافظ جان
انواع کلید محافظ جان از اجزاء زیر ساخته میشود:
- نشانگر وضعیت روشن یا خاموش بودن کلید
- علامت صفر (خاموش بودن) و یک (روشن بودن)
- دکمه تست (Test) برای بررسی عملکرد کلید
- ترمینال N مخصوص نول
- ترمینال زوج برای نمایش خروجیهای کلید
- ترمینال فرد برای نمایش ورودیهای کلید
- IN برای نمایش جریان مدار
- UN برای نمایش ولتاژ مدار
- IXN برای مشخص کردن جریان حساسیت به نشت کلید
ضرورتها و مزایای استفاده از کلید محافظ جان (RCCB) در صنعت برق
استفاده از کلید محافظ جان (RCCB) در سیستمهای برقی دارای ضرورتها و مزایای متعددی است که در ادامه توضیح داده میشود:
ضرورتها:
- حفاظت از افراد: یکی از ضرورتهای اصلی استفاده از این کلید این است که افراد را در برابر خطرات جریان نشتی برق و احتمال وقوع شوک الکتریکی حفاظت میکند.
- حفاظت از تجهیزات: RCCB میتواند از آسیب به تجهیزات و دستگاههای الکتریکی ناشی از جریانهای نشتی برق جلوگیری کند. حوادثی که میتواند به طریق غیرمستقیم به افراد نیز آسیب برساند.
- انطباق با استانداردها: استفاده از این کلیدها با استانداردهای مربوطه، از جمله استانداردهای بینالمللی الکتروتکنیکی (IEC) و استانداردهای ملی، ضریب ایمنی را افزایش میدهد.
مزایا:
- تشخیص سریع جریان نشتی: RCCB قادر به تشخیص سریع جریانهای نشتی برق است و در آن واحد جریان برق را قطع میکند. این مزیت به افراد زمان کافی برای حفظ ایمنی و خارج شدن از محیط خطرناک را میدهد.
- عملکرد قابل اعتماد: کلیدهای محافظ جان عملکرد قابل اعتمادی دارند و با دقت و صحت بالا، جریان نشتی برق را تشخیص میدهند و جریان اصلی را قطع میکنند.
- نصب و استفاده آسان: RCCBها بهطور کلی نصب و استفاده آسانی داشته و نیاز کمی به نگهداری و تعمیرات مرتب دارند.
مزایای کلید محافظ جان

- تنوع در استفاده: این کلیدها در انواع مختلف و با ویژگیها و سیستمهای مختلف تولید میشوند. مزیتی که به کاربران امکان انتخاب مناسب بر اساس نیازهایشان را میدهد.
- کاهش خسارات: استفاده از RCCB میتواند خسارات ناشی از حوادث جرقهزنی و جریانهای نشتی برق را به حداقل برساند و به ایمنی و امنیت بیشتر در محیطهای الکتریکی کمک کند.
سخن پایانی
با انتخاب و نصب صحیح کلید محافظ جان، میتوان از خطرات برقی جلوگیری کرد و وقوع حوادث ناگوار برای افراد و تجهیزات گرانقیمت را به حداقل رساند. بنابراین، این ابزار ارزشمند نهتنها زندگی و امنیت افراد را حفظ میکند، بلکه در پیشبرد اهداف سلامت و ایمنی عمومی نیز نقش مهمی دارد.
نکته قابل توجه انتخاب کلید محافظ جان مناسب است. چرا که عملکرد سریع مطابق حساسیت مورد نظر می تواند از بسیاری اتفاقات ناگوار و خسارات جانی و مالی جلوگیری کند.انواع کلیدهای محافظ جان NSC و کلیدهای محافظ جان ترکیبی NSC این اطمینان را ایجاد می کنند تا محل زندگی و کار خود را ایمن سازیم. تکنولوژی و استانداردهای به کار رفته در تولید و تست کیفیت کلیدهای محافظ جان NSC کارایی و عملکرد بهینه آنها را تضمین کرده و آنرا به یکی از پر فروش ترین محصولات برند تجاری NSC تبدیل نموده است. برای آشنایی بیشتر با انواع جریان الکتریکی اینجا را کلیک کنید.





